Описание:
| Исполнение | Пятилинейный двухпозиционный, с двухсторнним пневматическим управлением. Коннструкция распределительного устройства: цилиндрический золотник |
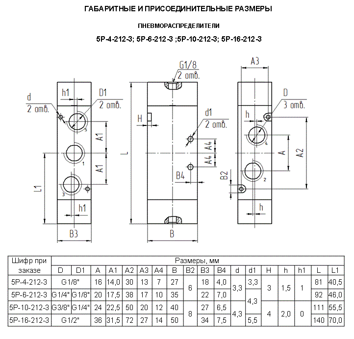
| Условный проход, мм | 10 |
| Тип присоединения | Трубное, с дюймовой присоединительной резьбой в корпусе распределителя |
| Присоединение пневмолиний питания «1», выходных «2» и «4», дюйм | G3/8 |
| Присоединение атмосферных пневмолиний «3» и «5», дюйм | G1/4 |
| Присоединение пневмолиний управления «12» и «14», дюйм | G1/8 |
| Номинальное давление, МПа | 0,8 |
| Минимальное давление, МПа | 0,15 |
| Максимальное число срабатываний, в мин. | 240 |
| Пропускная способность, Kv*, м3/ч, не менее | 1,95 |
| Масса, кг, не более | 0,260 |
| Примечание | *Kv определяется по ГОСТ 14691 |


