| Исполнение | Нормально закрытый, трехлинейный, двухпозиционный с односторонним пневматическим управлением и пружинным возвратом в исходное положение. Конструкция распределительного устройства: клапанного типа |
| Условный проход, мм | 6 |
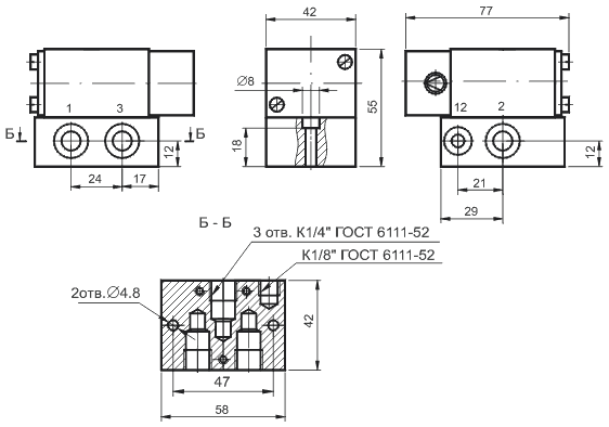
| Тип присоединения | Резьбовое с плитой для трубного монтажа, трубы в стороны |
| Присоединение рабочих пневмолиний, дюйм | К1/4 |
| Присоединение пневмолиний управления, дюйм | К1/8 |
| Номинальное давление, МПа | 1,0 |
| Минимальное рабочее давление, МПа, не более | 0.25 |
| Минимальное давление управления, МПа, не более | 0.15+0.4Рраб |
| Максимальное число срабатываний, в мин., не менее | 350 |
| Пропускная способность, Kv*, м3/ч, не менее | 0,8 |
| Масса кг, не более | 0,41 |
| Примечание | *Kv определяется по ГОСТ 14691 |