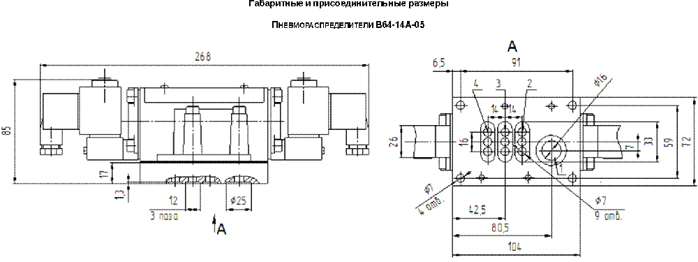
| Исполнение | Четырехлинейный,двухпозиционный с двухсторонним электропневматическим управлением и с ручным дублированием. Конструкция распределительного устройства: плоский притёртый золотник |
| Условный проход, мм | 16 |
| Тип присоединения | Стыковое нижнее |
| Номинальное давление, МПа | 0,63 |
| Минимальное давление, МПа, не более | 0,25 |
| Время срабатывания при давлении 0,4 МПа, с, не более | 0,1 |
| Максимальное число срабатываний, в мин., не менее | 250 |
| Номинальное напряжение питания постоянного тока, В | 12, 24, 48, 110 |
| Номинальное напряжение питания переменного тока частотой 50 Гц, В | 24,36,48,110,220, 380 |
| Номинальная потребляемая мощность постоянного тока, Вт, не более | 7 |
| Номинальная потребляемая мощность переменного тока 50 Гц, ВА, не более | 9 |
| Пропускная способность, Kv*, м3/ч, не менее | 2,8 |
| Масса кг, не более | 1,75 |
| Примечание | *Kv определяется по ГОСТ 14691-69 |